Dankort + VISA/Dankort VISA Electron Mastercard VISA JCB American Express Diners ViaBill MobilePay

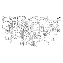
18 Motor- og drejekonsol

18 Motor- og drejekonsol

Ring for pris

Klik på billedet for stort format

Klik på pilen yderst til højre for reservedele

Ved flere varenumre på samme ref. kontakt Honda Shoppen: service@hondashoppen.com

Se priser på link: https://tima.dk/se-mere/reservedele


Lagerstatus: Ikke på lager
  • Billig fragt
  • Hurtig levering
  • 14 dages returret