Dankort + VISA/Dankort VISA Electron Mastercard VISA JCB American Express Diners ViaBill MobilePay

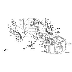
12 Gearskifte (fjernbetjening)

12 Gearskifte (fjernbetjening)

0,00 DKK


Klik på billedet for stort format

Klik på pilen yderst til højre for reservedele

Ved flere varenumre på samme ref. kontakt Honda Shoppen: service@hondashoppen.com

Se priser på link: https://tima.dk/se-mere/reservedele


Lagerstatus: Ikke på lager
stk.
  • Billig fragt
  • Hurtig levering
  • 14 dages returret