Forside
Shop
Blog
Blogindlæg
Garmin Forårkampagne 2026
NY PÅHÆNGSMOTOR BF300
BLACK WEEKEND
Nyhed fra Garmin
Ny Honda 350 Hestes påhængsmotor
Maritime dage 2025
Nye Cramer Robotplæneklippere
SÅ ER DET FORBI
Information
Om os
Kontakt
Handelsbetingelser
Privatlivspolitik
Returformular
FORTRYDELSESRET
Din konto
Log ind
Opret bruger
Nyhedstilmelding
HONDASHOPPEN ApS
Din indkøbskurv er tom
Kategorier
Fiskegrej
Combo sæt - Stang sæt
Endegrej
Fiskehjul
Fiskestænger
Powerbaits
Tilbehør
Trolling Udstyr
Gaveartikler
MARINE
GARMIN MARINE DEAL 2026
GARMIN
Honda påhængsmotorer
Brugte Påhængsmotorer
Brugte Både
Honda Marine Tilbehør
Honda Reservedele
Elektriske påhængsmotorer
Bådudstyr
Sikkerhed
Både
Variant Trailere
Montering & Installering
Service & Reparation
INDUSTRI
Honda Generatorer
Honda vandpumper
E-power Generatorer
Variant Trailere
Smøremidler
Service & Reparation
HAVE & PARK
HONDA
Smøremidler
Cramer
Remarc
VARI
Variant Trailere
Montering & Installering
Service & Reparation
BRUGTE MASKINER
MOTORER
Vandret aksel
Lodret aksel
eGX - Elektriske Motorer
Tilbehør
Reservedele
Smøremidler
Service & Reparation
BRUGTE MOTORER
TILBUD
PÅHÆNGSMOTOR
GARMIN
Fiskegrej
Industri
Have og Park
OUTDOOR
BÅD UDSTYR
Forside
/
Shop
/
MARINE
/
Honda påhængsmotorer
/
Honda Reservedelslister
/
BF60AK1 Reservedelsliste
/
Chassisdele
Chassisdele
01 Styrehåndtag
Honda Drawings
Ring for pris
Vis produkt
02 Ombygningssæt til styrehåndtag
Honda Drawings
Ring for pris
Vis produkt
03 Gearskifte
Honda Drawings
Ring for pris
Vis produkt
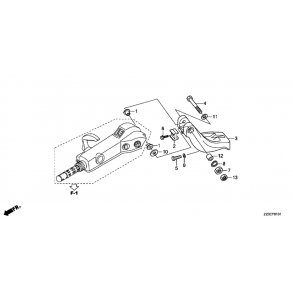
04 Mellemben
Honda Drawings
Ring for pris
Vis produkt
05 Gearhus
Honda Drawings
Ring for pris
Vis produkt
06 Gear, komplet
Honda Drawings
Ring for pris
Vis produkt
07 Øverste motorophæng
Honda Drawings
Ring for pris
Vis produkt
08 Vandpumpe og drivaksel
Honda Drawings
Ring for pris
Vis produkt
09 Propelaksel
Honda Drawings
Ring for pris
Vis produkt
10 Benzintank
Honda Drawings
Ring for pris
Vis produkt
11 Ledningsnet
Honda Drawings
Ring for pris
Vis produkt
12 Startkabel
Honda Drawings
Ring for pris
Vis produkt
13 Omdrejningstæller
Honda Drawings
Ring for pris
Vis produkt
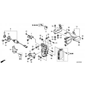
14 Hus til elektroniske dele
Honda Drawings
Ring for pris
Vis produkt
15 Generatordæksel
Honda Drawings
Ring for pris
Vis produkt
16 Underkåber
Honda Drawings
Ring for pris
Vis produkt
17 Motorkappe
Honda Drawings
Ring for pris
Vis produkt
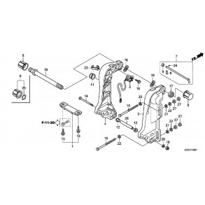
18 Motorkonsol
Honda Drawings
Ring for pris
Vis produkt
19 Drejekonsol
Honda Drawings
Ring for pris
Vis produkt
20 Powertrim
Honda Drawings
Ring for pris
Vis produkt
21 Emblemer
Honda Drawings
Ring for pris
Vis produkt
22 Værktøj
Honda Drawings
Ring for pris
Vis produkt
23 Fjernbetjeningsboks HI-LEX (side)
Honda Drawings
Ring for pris
Vis produkt
24 Fjernbetjeningsboks (panel)
Honda Drawings
Ring for pris
Vis produkt
25 Fjernbetjeningsboks NHK MEC (side)
Honda Drawings
Ring for pris
Vis produkt