Dankort + VISA/Dankort VISA Electron Mastercard VISA JCB American Express Diners ViaBill MobilePay

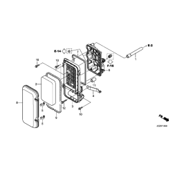
17 Luftfilter

17 Luftfilter

Ring for pris

Reservedelslisten gælder for HONDA EM5500CXS2 GWT1 Stelnummer: EBKC-1000001 og frem til 1149999

Andre EM5500CXS2 generatorer kan have andre reservedele monteret hvorfor disse ikke er vist i denne liste

 

Klik på billedet for stort format

Klik på pilen yderst til højre for reservedele

Ved flere varenumre på samme ref. kontakt Honda Shoppen: service@hondashoppen.com

Se priser på link: https://tima.dk/se-mere/reservedele


Lagerstatus: Ikke på lager
  • Billig fragt
  • Hurtig levering
  • 14 dages returret