WX10T E1
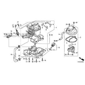
Reservedelslisten gælder for HONDA WX10T E1 Stelnummer: WAGT-1000001 og frem til 1999999
Andre WX10T vandpumper kan have andre reservedele monteret hvorfor disse ikke er vist i denne liste
Reservedelslisten gælder for HONDA WX10T E1 Stelnummer: WAGT-1000001 og frem til 1999999
Andre WX10T vandpumper kan have andre reservedele monteret hvorfor disse ikke er vist i denne liste